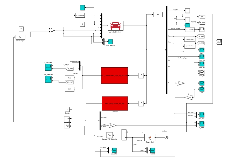
轨迹跟踪CarSimMATLAB联合仿真模型预测控制横纵向协同控制
【打包文件包括】
-CarSim车型文件.cpar
-MPC车速跟踪算法MPC_LongControl_Dyn_Alg.m
-MPC横向路径跟踪算法MPC_LateralControl_Dyn_Alg_DLC3888.m
-Simulink系统文件MPC_LateralControl_Dyn.slx
-自己录制的CarSimMATLAB联合仿真一步步操作流程
YID:5690680224219770
二宇铺子



轨迹跟踪CarSimMATLAB联合仿真模型预测控制横纵向协同控制
【打包文件包括】
-CarSim车型文件.cpar
-MPC车速跟踪算法MPC_LongControl_Dyn_Alg.m
-MPC横向路径跟踪算法MPC_LateralControl_Dyn_Alg_DLC3888.m
-Simulink系统文件MPC_LateralControl_Dyn.slx
-自己录制的CarSimMATLAB联合仿真一步步操作流程
YID:5690680224219770
二宇铺子



在上方输入框输入您的关键词,然后点击搜索,词语越短越好(2个字最佳)
QQ客服:27699885 微信客服:shujuqudong1 微信客服:shujuqudong6
本站为优质资料,数量有限,如果找不到需求,可查阅全站 https://wekup.cn/ 资源更丰富